Goujons d’ancrage FM-753 3DG - Complément pour pieds de poteau extérieurs et connecteurs ZPro
Le goujon d’ancrage FM-753 3DG est un système de fixation par expansion pour charges lourdes sur béton non fissuré, utilisable en intérieur ou extérieur grâce à son revêtement 3DG compatible avec les pièces galvanisées à chaud ou ZPRO.
- Référence
- Longueur65mm
- FabricationFrançaise
- MatériauAcier trempé
- MarqueSIMPSON Strong-Tie
- RevêtementSpécial anti-corrosion 3DG finition mat
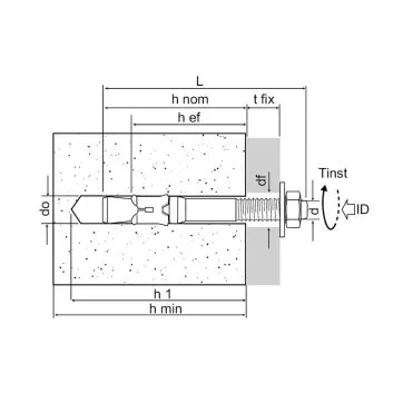
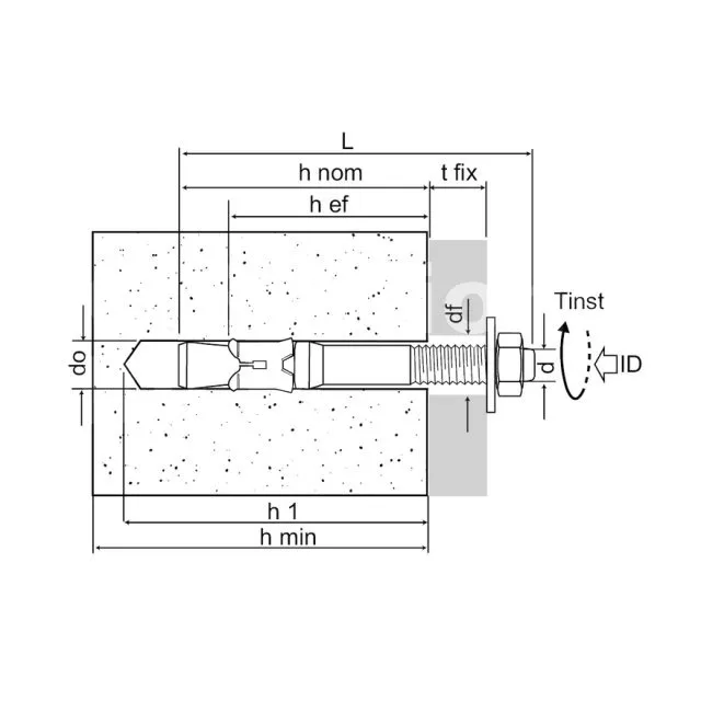
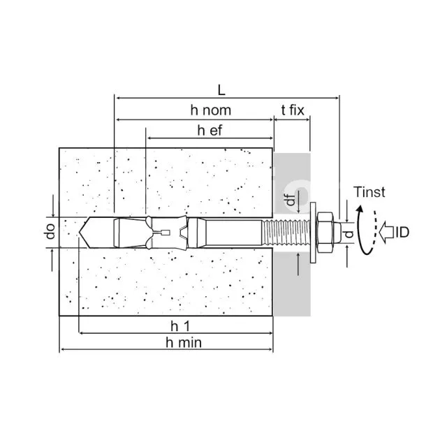
- Epaisseur maximale pièce à fixer [tfix,max] avec profondeur d’ancrage standard [hef,STD]7mm
- Epaisseur maximale [tfix,max] pièce à fixer avec profondeur d’ancrage réduite [hef,RED]15mm
- Diamètre maximal perçage pièce à fixer [df] [mm]9mm
- Diamètre perçage [do] x profondeur [h1] dans le support [mm]8x60mm
- Couple de serrage [Tinst] [Nm]15Nm
- Profondeur d’ancrage standard [hef,STD]40mm
- Profondeur minimale de perçage [h1]60mm
- Distance entraxes minimale [mm]55mm
- Distance au bord mini [cmin]55mm
- Ouverture de clés sur plat [SW]13mm
- Épaisseur minimale du matériau-support, [hmin]100mm
Caractéristiques
Matière
- Acier trempé,
- Revêtement spécial anti-corrosion 3DG finition mat,
- Bague d’expansion en inox A4 pour une adhérence maximale sur les parois du perçage.
Avantages
- Gains de temps de pose
- Montage au travers de l’élément à fixer, Ø de perçage = Ø de cheville
- Expansion immédiate,
- Ecrou et rondelle prémontés
- Epaisseur accrue des 3 segments d’expansion
- Six dents inox pour une plus grande adhérence aux parois du perçage,
Application
Domaines d’utilisation
- Fixations structurelles,
- Façades,
- Garde-corps,
- Equerres de bardage ITE, sabots de charpente,
- Charges statiques ou quasi-statiques.
- Gamme de connecteurs ZPRO
Supports
- Béton non fissuré,
Données techniques
Dimensions
| Références | Réference produit | Dimensions [ØxL] [mm] | Ep. max [tfix,max] pce à fixer avec prof. d’ancrage standard [hef,STD] [mm] | Ep. max [tfix,max] pce à fixer avec prof. d’ancrage réduite [hef,RED] [mm] | Ø max perçage pce à fixer [df] [mm] | Ø perçage [do] x profondeur [h1] dans le support [mm] | Ep. mini du support [hmin] [mm] | Profondeur d’ancrage standard [hef,STD] [mm] | Couple de serrage [Tinst] [Nm] | Qté par boîte |
|---|---|---|---|---|---|---|---|---|---|---|
| 75320C0806500 | FM-753 3DG | M8x65 | 7 | (15) | 9 | 8x60 | 100 | 40 | 15 | 100 |
| 75320C1007500 | M10x75 | 5 | (20) | 12 | 10x70 | 100 | 50 | 25 | 50 | |
| 75320C1211000 | M12x110 | 20 | (35) | 14 | 12x85 | 120 | 60 | 50 | 50 |
Valeurs de calcul - Cheville isolée - Pas de distance aux bords
| Références | Dimensions [ØxL] [mm] | Réference produit | Valeurs de calcul - cheville isolée - pas de distances aux bords | ||||||||
|---|---|---|---|---|---|---|---|---|---|---|---|
| Valeurs de calcul - Béton non fissuré | |||||||||||
| Traction - NRd | Cisaillement - VRd (1-2) | Moment de flexion MRd [Nm] | |||||||||
| C20/25 [kN] | C30/37 [kN] | C40/50 [kN] | C50/60 [kN] | C20/25 [kN] | C30/37 [kN] | C40/50 [kN] | C50/60 [kN] | ||||
| 75320C0806500 | M8x65 | FM-753 3DG | 8 | - | - | - | 5.4 | - | - | - | - |
| 75320C1007500 | M10x75 | FM-753 3DG | 8 | - | - | - | 9.3 | - | - | - | - |
| 75320C1211000 | M12x110 | FM-753 3DG | 15.2 | - | - | - | 13.4 | - | - | - | - |
1. Les charges publiées sont calculées à partir des coefficients partiels de sécurité issus des ETE. Ces charges sont calculées pour du béton non armé et du béton armé standard dont les fers sont espacés de s ≥ 15 cm (tous diamètres) ou de s ≥ 10 cm, si leur diamètre est inférieur ou égal à 10 mm.
2. Les charges au cisaillement sont indiquées pour un ancrage seul sans tenir compte de la distance au bord de dalle. Pour les ancrages proches des bords (c ≤ max [10 hef ; 60d]), la rupture en bord de dalle doit être vérifiée conformément à l’ETAG001, annexe C, méthode A.
3. Le béton est considéré comme non fissuré lorsque la tension à l’intérieur du béton est égale à σL + σR ≤ 0. En l’absence de vérification détaillée, on prendra σR = 3 N/mm2 (σL correspond à la tension à l’intérieur du béton qui résulte de charges extérieures, y compris les charges des ancrages).
Capacités recommandées - Ancrage simple - Aucune distance au bord
| Références | Réference produit | Dimensions [ØxL] [mm] | Charges recommandées - Béton non fissuré | ||||||||
|---|---|---|---|---|---|---|---|---|---|---|---|
| Traction - NRd | Cisaillement - VRd | Moment de flexion MRd [Nm] | |||||||||
| C20/25 [kN] | C30/37 [kN] | C40/50 [kN] | C50/60 [kN] | C20/25 [kN] | C30/37 [kN] | C40/50 [kN] | C50/60 [kN] | ||||
| 75320C0806500 | FM-753 3DG | M8x65 | 5.7 | 6.1 | 6.5 | 6.8 | 4.4 | 4.4 | 4.4 | 4.4 | 11.4 |
| 75320C1007500 | FM-753 3DG | M10x75 | 5.7 | 6.3 | 6.8 | 7.4 | 6.6 | 6.6 | 6.6 | 6.6 | 23.3 |
| 75320C1211000 | FM-753 3DG | M12x110 | 11.2 | 12.3 | 13.4 | 14.6 | 9.6 | 9.6 | 9.6 | 9.6 | 34.3 |
1. En cas d’interaction des charges de traction et de cisaillement (bras de levier) ainsi qu’en cas de groupes d’ancrages et/ou d’influence des bords, un calcul selon ETAG 001, Annexe C, Méthode de conception A (août 2010) ou CEN/TS 1992-4-4 doit être réalisé en tenant compte de l’ensemble de l’Évaluation Technique Européenne ETA-13/0367.
2. Les données de charge tiennent compte des coefficients de sécurité partiels des résistances donnés dans l’Évaluation Technique Européenne ETA-13/0367 et un coefficient de sécurité partiel de la charge. Les valeurs données supposent un béton non armé ou normalement armé avec un espacement des barres d’armature s ≥ 15 cm ou s ≥ 10 cm avec un diamètre des barres d’armature ds ≤ 10 mm.
SIMPSON Strong-Tie
Une fiabilité et un service sans équivalent
Depuis son implantation en Europe en 1994, la société Simpson Strong-Tie est devenue une valeur sûre en matière de connecteurs grâce à un savoir-faire reconnu et une qualité de produits testés. Forte de ses années d’expériences, elle fait de la sécurité, de la fiabilité et du respect des règlementations en vigueur un engagement permanent.
Mise en œuvre
Entraxes et distances aux bords
| Références | Entraxes et distances aux bords | |||||
|---|---|---|---|---|---|---|
| Réference produit | Dimensions [ØxL] [mm] | Distance au bord mini [cmin] [mm] | Dist. entraxes mini [smin] [mm] | Dist. entraxes caractéristiques [scr,N] [mm] | Distance au bord caractéristique [ccr,N] [mm] | |
| 75320C0806500 | FM-753 3DG | M8x65 | 55 | 55 | 120 | 60 |
| 75320C1007500 | FM-753 3DG | M10x75 | 55 | 55 | 150 | 75 |
| 75320C1211000 | FM-753 3DG | M12x110 | 90 | 90 | 180 | 90 |
Données de montage
| Références | Données de montage | ||||||||
|---|---|---|---|---|---|---|---|---|---|
| Réference produit | Dimensions [ØxL] [mm] | Ø perçage [d0] [mm] | Prof. min. de perçage [h1] [mm] | Ø perçage dans pce à fixer (au travers) [df] [mm] | Ouverture de clé sur plat [SW] [SW] [mm] | Couple de serrage [Tinst] [Nm] | Prof. ancrage [hef] [mm] | Ep. mini du support [hmin] [mm] | |
| 75320C0806500 | FM-753 3DG | M8x65 | 8 | 60 | 9 | 13 | 15 | 40 | 100 |
| 75320C1007500 | FM-753 3DG | M10x75 | 10 | 70 | 12 | 17 | 25 | 50 | 100 |
| 75320C1211000 | FM-753 3DG | M12x110 | 12 | 85 | 14 | 19 | 50 | 60 | 120 |











